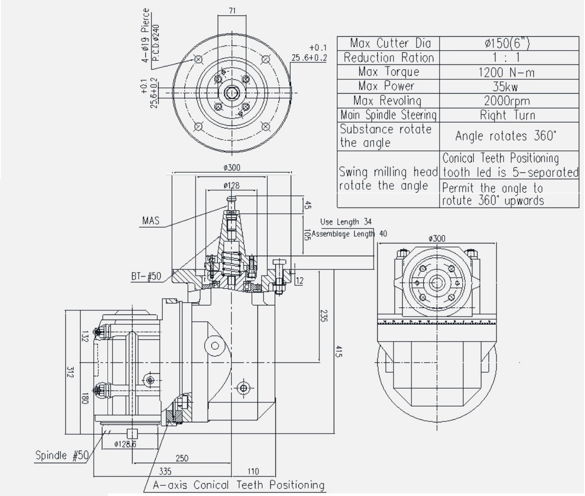
A-axis Conical Teeth Positioning Eccentric Spindle Milling Head
Hot- Model:
- H60
- Country of Origin:
- Taiwan
Detail Specifications / Descriptions


| Company: | KAEN GONG YANG MACHINERY CO., LTD. | |
|---|---|---|
| Telephone: | 886-4-2392-6685 | |
| Fax: | 886-4-2392-6695 | |
| URL: |
www.kagongyang.com www.twgongyang.com www.twgongyang.com.cn www.twgongyang.com.tw www.cens.com/kagongyang |
|