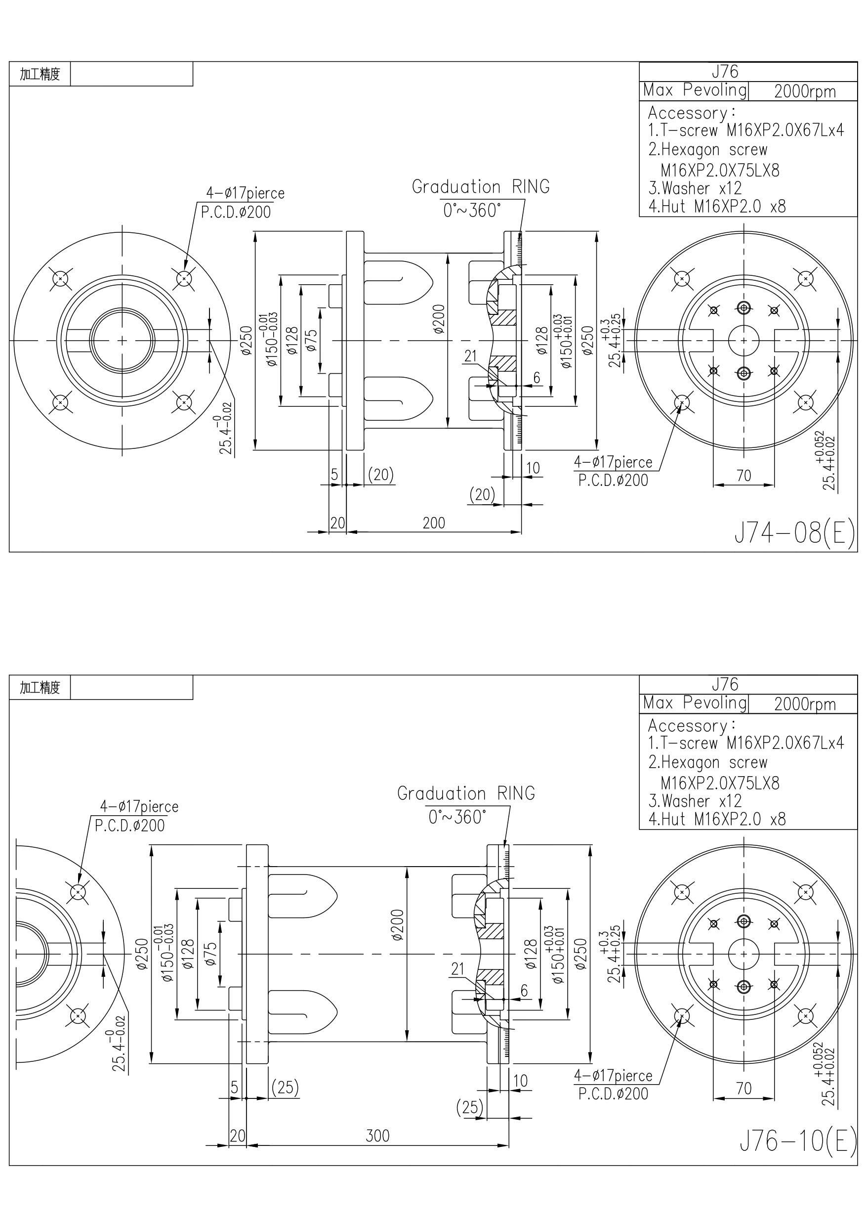
J74/J76 Take over, Coupling, Milling Head | For Double Column Milling Machine Application
- Model:
- J74/J76
- Country of Origin:
- Taiwan
- Color:
- GREEN
Detail Specifications / Descriptions
J74/J76 Take over, Coupling Milling Head for double column and vertical lathe. We manufacture machine tool special attachment heads with high quality joins.
Features
1. Could change machine to make vertical milling and cross milling.2. Volume is small, convenient to operate, suitable to make complex of machine tools.
3. Spindles are made of chromium molybdic acid alloy steel, through quenching and precise grinding.
4. The coupling can be used for various types of milling hands, after the installation of the milling hand can be depth processed.
5. LENGTH : J72-100L, J73-150L, J74-200L, J75-250L, J76-300L .
6. Specifications: 200mm or 300mm
Application

More specifications (PDF) 




















