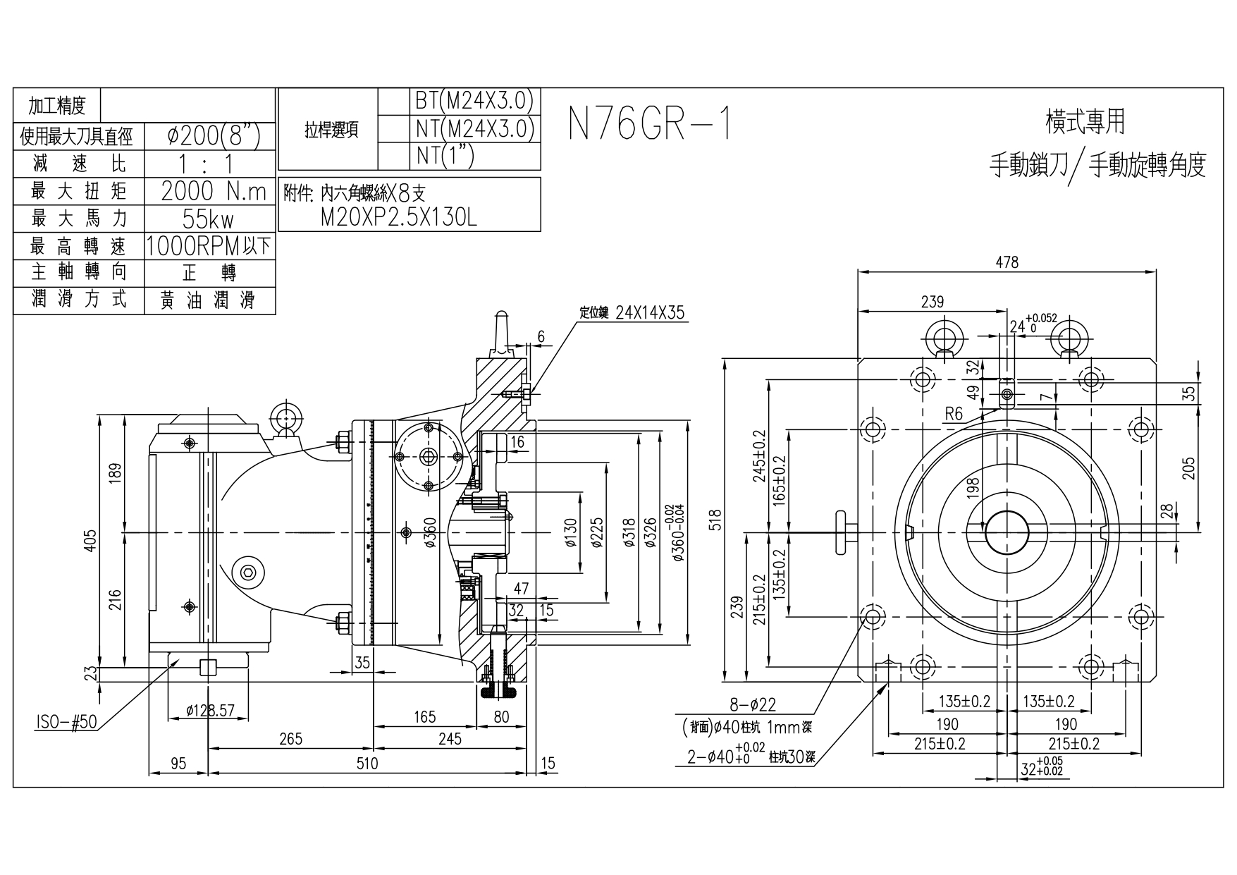
N76GR 强力高精密铣削头 | 应用于大型龙门铣床.专用机(落地搪铣床)
- 产品型号:
- N76GR
- 原产地:
- 台湾
- 颜色:
- 蓝色
详细规格及用途描述
N76GR 强力高精密铣削头,高精密度小巧设计,适用大型龙门与专用机床。
特性
适用工具机:大型龙门铣床.专用机(落地搪铣床)本铣头之特性如下:
1. 经济化改变机械立式铣削工作,使一机多用途之铣头。
2. 本铣头小巧玲珑,操作自如,适合复杂机件之加工。
3. 加装刻度盘即可做360°调整角度选择铣刀铣向。
4. 适合槽孔内部之搪铣、端面整修、斜面倒角...等加工工作。
5. 主轴及齿轮采用铬钼合金钢并经特殊渗碳热处理,可确保坚固耐用。
6. 轴承采用滚珠轴承,适合高转速轻切削。
7. 刀柄可用NT或BT(必须将抓头拆除),订购时可指定交货时附上适用之刀柄拉杆。
规格
| 机型 | 使用刀具最大直径 | 减速比 | 最大马力 | 最大扭力 | 最高转速 | 主轴规格/转向 | 配件T型螺丝 |
|---|---|---|---|---|---|---|---|
| N76GR | ψ200 | 1:1 | 55KW | 2000N.m | 1000rpm | #50/正向 | M20×P2.5×130L-6支 |
应用分类

More specifications (PDF) 



















