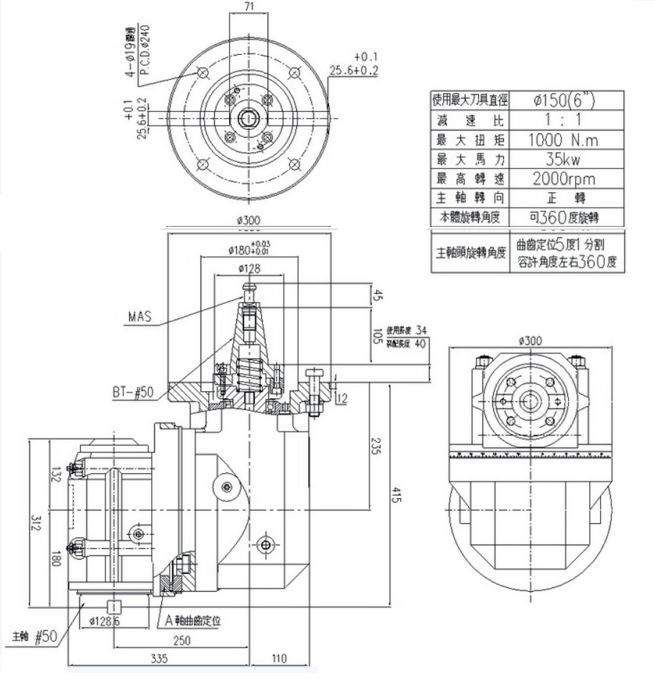
A軸曲齒定位萬象銑頭
Hot- 產品型號:
- H60
- 原產地:
- 台灣
詳細規格及用途描述


| 公司名稱: | 凱程功陽精密機械股份有限公司 | |
|---|---|---|
| 電話: | 886-4-2392-6685 | |
| 傳真: | 886-4-2392-6695 | |
| 網址: |
www.kagongyang.com www.twgongyang.com www.twgongyang.com.cn www.twgongyang.com.tw www.cens.com/kagongyang |
|