CV JOINT
- 產品型號:
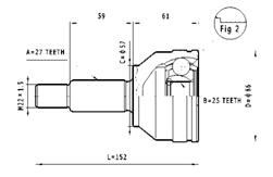
 - 21-27025
 - 原產地:
 - 中國
 - 材質:
 - CF53
 - 顏色:
 - 可選
 
詳細規格及用途描述
					
						適用車型 :
FORD (EUROPE) 
ESCORT-ESCORT VAN-ORION (A.T.)
1.6L 02/80> 08/90
					
			
					
				
					
						適用車型 :
FORD (EUROPE) 
ESCORT-ESCORT VAN-ORION (A.T.)
1.6L 02/80> 08/90
					
			
| 公司名稱: | 台州肯特傳動系統有限公司 | 
|---|