F75 Vertical and Horizontal Head, Twin Spindle Milling Head, Milling Spindle Head
Hot- Model:
- F75
- Country of Origin:
- Taiwan
Detail Specifications / Descriptions
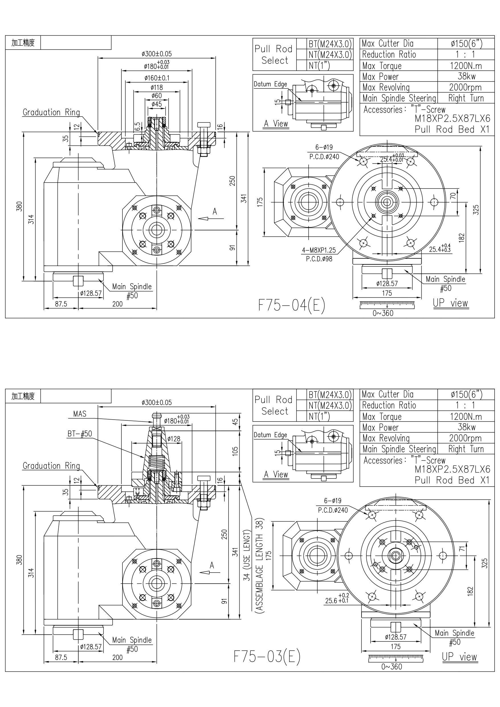
F75 Vertical-Horizontal Dual Spindle Milling Head, compact and versatile, enables 360° angle adjustment. Suitable for complex machining, precise boring, and chamfering in special-purpose machine applications.
Features
1. Could change machine to make vertical milling .2. Volume is small, convenient operation, suitable to make complex of machine tools.
3. Reduction Ratio 1:1
4. To install a graduated dial which can be regulated 360° to choose the direction of the milling cutter.
5. The processing suitable to inner boring and milling of slots, end face repair, and beveled chamfering, etc.
6. Gear and spindle are made of chromium molybdenum alloy steel, through quenching and precise grinding.
7. Bearing are use ball bearing, suitable for high-speed and light cutting.
8. The tool holder can be NT or BT (the grab head must be removed). When ordering, you can specify that the applicable tool holder pull stud is attached to the delivery.
9. The milling head can only tapping and screw socket process while reversing, can't cutting and drilling or other process, make machinery damaged.
Specifications
| TYPE | Max Tool Dia. | Reduction Ratio | Max Torque | Max Horsepower | Max Use Speed | Spindle Steering | Accessory |
|---|---|---|---|---|---|---|---|
| F75 | ψ150 | 1:1 | 38KW | 1200N.m | 2000rpm | #50/Forward | M16×P2.0×67L-4Pieces |
Application

More specifications (PDF) 



















