D75/D75N/D75NC Twin Spindle Milling Head, Twin Spindle 90゜milling head, Twin Spindle Milling Head,
Hot- Model:
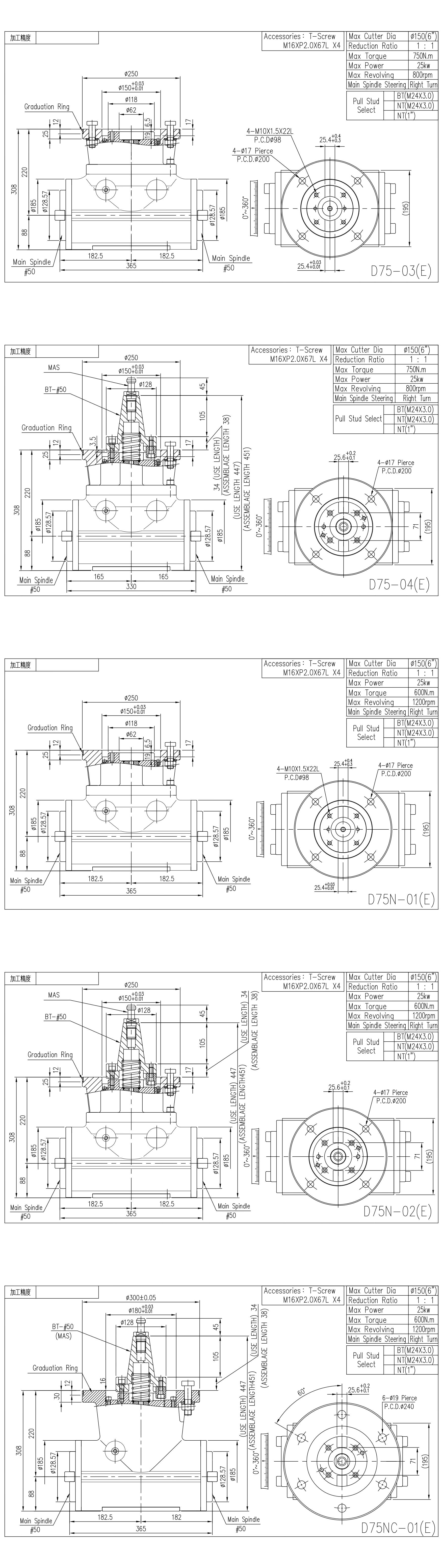
- D75-03,75-04,D75N-01,D75N-02,D75NC
Detail Specifications / Descriptions
D75/D75N/D75NC Bi-directional Spindle Heads, compact and versatile, designed for double column milling machines. Provide 360° angle adjustment, high precision boring, facing, and chamfering for complex machining applications.
Features
1. Could change machine to make vertical milling .2. Volume is small, convenient operation, suitable to make complex of machine tools.
3. To install a graduated dial which can be regulated 360° to choose the direction of the milling cutter.
4. The processing suitable to inner boring and milling of slots, end face repair, and beveled chamfering, etc.
5. Gear and spindle are made of chromium molybdenum alloy steel, through quenching and precise grinding.
6. The milling head can only tapping and screw socket process while reversing, can't cutting and drilling or other process, make machinery damaged.
Specifications
| TYPE | Max Tool Dia. | Reduction Ratio | Max Torque | Max Horsepower | Max Use Speed | Spindle Steering | Accessory |
|---|---|---|---|---|---|---|---|
| D75 | ψ150 | 1:1 | 25KW | 750N.m | 800rpm | #50/Forward | M16×P2.0×67L-4Pieces |
| D75N | ψ150 | 1:1 | 25KW | 600N.m | 2000rpm | #50/Forward | M16×P2.0×67L-4Pieces |
| D75NC | ψ150 | 1:1 | 25KW | 750N.m | 2000rpm | #50/Forward | M16×P2.0×67L-4Pieces |
Application

More specifications (PDF) 



















