A75/N75/N75C 90°铣头 /搪铣头 | 应用于龙门铣床、立式车床
Hot- 产品型号:
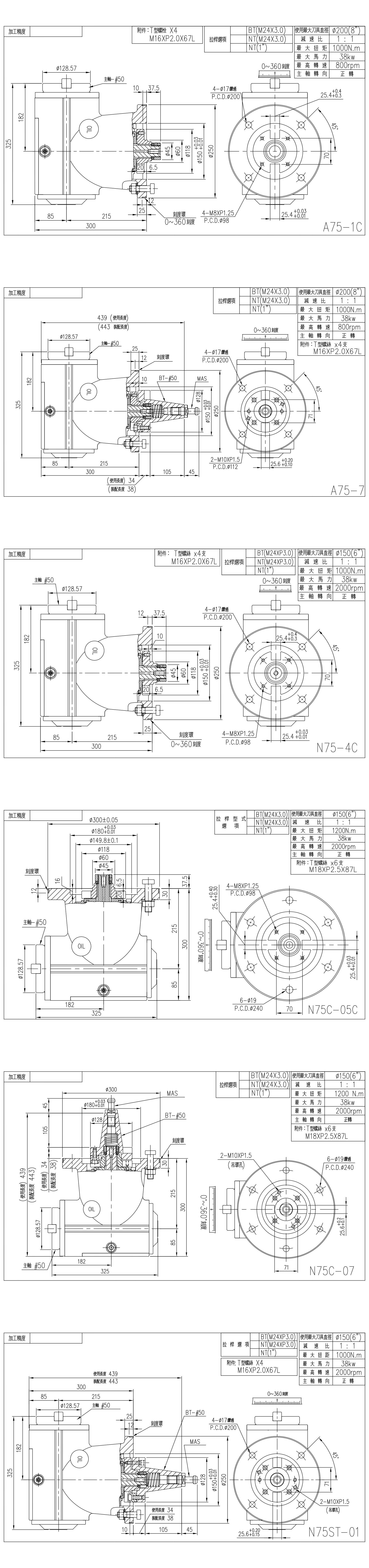
- A75/N75/N75C
- 原产地:
- 台湾
- 颜色:
- 蓝
详细规格及用途描述
A75/N75/N75C直角铣头-为金属和其他材料的切削加工运用工具,它具有直角切削的功能,通常用于工件上的垂直平面加工、钻孔、攻牙、槽加工、开槽等加工种类。直角铣头通常与龙门铣床、卧式搪床、立式车床、铣钻机等加工设备配合使用。A75/N75/N75C直角铣头是一种常见有效的加工工具,正确的使用和操作能够提升加工效率,保证加工质量。
特性
1. 经济化改变立式机械为卧式铣削工作,使一机多用途之铣头。2. 本铣头小巧玲珑,操作自如,适合复杂机件之加工。
3. 加装刻度盘即可做360°调整角度选择铣刀铣向。
4. 适合槽孔内部之搪铣、端面整修、斜面倒角...等加工工作。
5. 主轴及齿轮采用铬钼合金钢并经特殊渗碳热处理,可确保坚固耐用。
6. 轴承采用滚珠轴承,适合高转速轻切削。
7. 本铣头逆转加工时只适用攻牙与柱坑加工作业,不可用于切削、钻孔...等加工作业,以免造成机械损坏。
应用分类
影片

More specifications (PDF) 




















