详细规格及用途描述
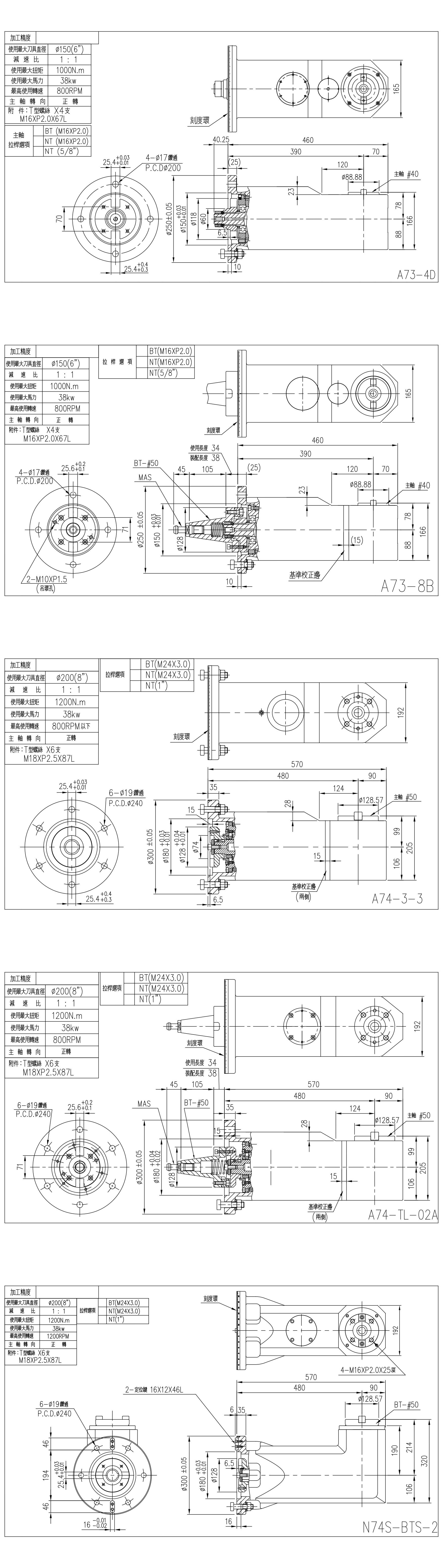
A73/A74/N74BTS深搪直角铣头用于圆型工件内孔及加工处在平面以下的垂直平面加工、钻孔、攻牙克服了原本机台无法几何加工的困难,解决了二次加工的误差,也让工件在加工时更稳定,不用费时费力更换基准面影响加工时效,提高生产率。
深搪直角铣头通常与龙门铣床、卧式搪床、立式车床、铣钻机...等加工设备配合使用。
特性
1. 经济化改变机械立铣、横铣,使一机多用途之铣头。2. 本铣头小巧玲珑,操作自如,适合复杂机件之加工。
3. 放松T型螺丝之螺帽,即可360°调整选择铣刀铣向。
4. 适合槽孔内部之搪铣、端面整修、斜面倒角...等加工工作。
5. 附有刻度环,选择、调整角度简便。
6. 主轴及齿轮采用铬钼合金钢并经特殊处理,可确保坚固耐用。
7. 轴承采用滚锥轴承,适合低转速重切削。
规格
机型 | 使用刀具最大直径 | 减速比 | 最大马力 | 最大扭力 | 最高转速 | 主轴规格/转向 | 配件T型螺丝 |
---|---|---|---|---|---|---|---|
A73 | ψ150 | 1:1 | 38KW | 1000N.m | 800rpm | #40/正向 | M16×P2.0×67L-4支 |
A74 | ψ150 | 1:1 | 38KW | 1200N.m | 800rpm | #50/正向 | M18×P2.5×87L-6支 |
应用分类

