C60GR-angular head for floor-type boring machine | For Special Purpose Machine Application
- Model:
- C60GR
- Country of Origin:
- Taiwan
- Color:
- Blue
Detail Specifications / Descriptions
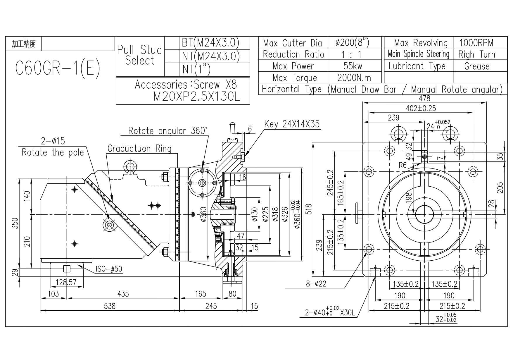
Gong Yang C60GR Floor-Type Angular Milling Head is a compact power high-precision milling head, ideal for complex machining. High accuracy improves efficiency and effectively reduces production costs.
Features
1. Could change machine to make vertical milling and cross milling and any angle.2. Volume is small, convenient to operate, suitable to make complex of machine tools.
3. Loosen “T” screw to make 360° adjusting and choice the direction of milling tool. Reference the “List of angle confront” Please.
4. Suitable to planer for boring, cutting top face and bevel face trim.
5. Gear and spindle are made of chromium-molybdate alloy steel,, through quenching and precise grinding.
Applicable Machine Tools:
1.Heavy Duty Double Column Milling Machine,
2.Special Purpose Machine
3.(Milling Head for Floor-Type Boring Machine)
Specifications
| TYPE | Max Tool Dia. | Reduction Ratio | Max Torque | Max Horsepower | Max Use Speed | Spindle Steering | Accessory |
|---|---|---|---|---|---|---|---|
| C60GR | ψ200 | 1:1 | 55KW | 2000N.m | 1000rpm | #50/Forward | M20×P2.5×130L-8Pieces |
Application
Video

More specifications (PDF) 



















