C60 Multi-angular Milling Head | For Double Column Milling Machine, Vertical Lathe Application
- Model:
- C60
- Country of Origin:
- Taiwan
- Color:
- Blue
Detail Specifications / Descriptions
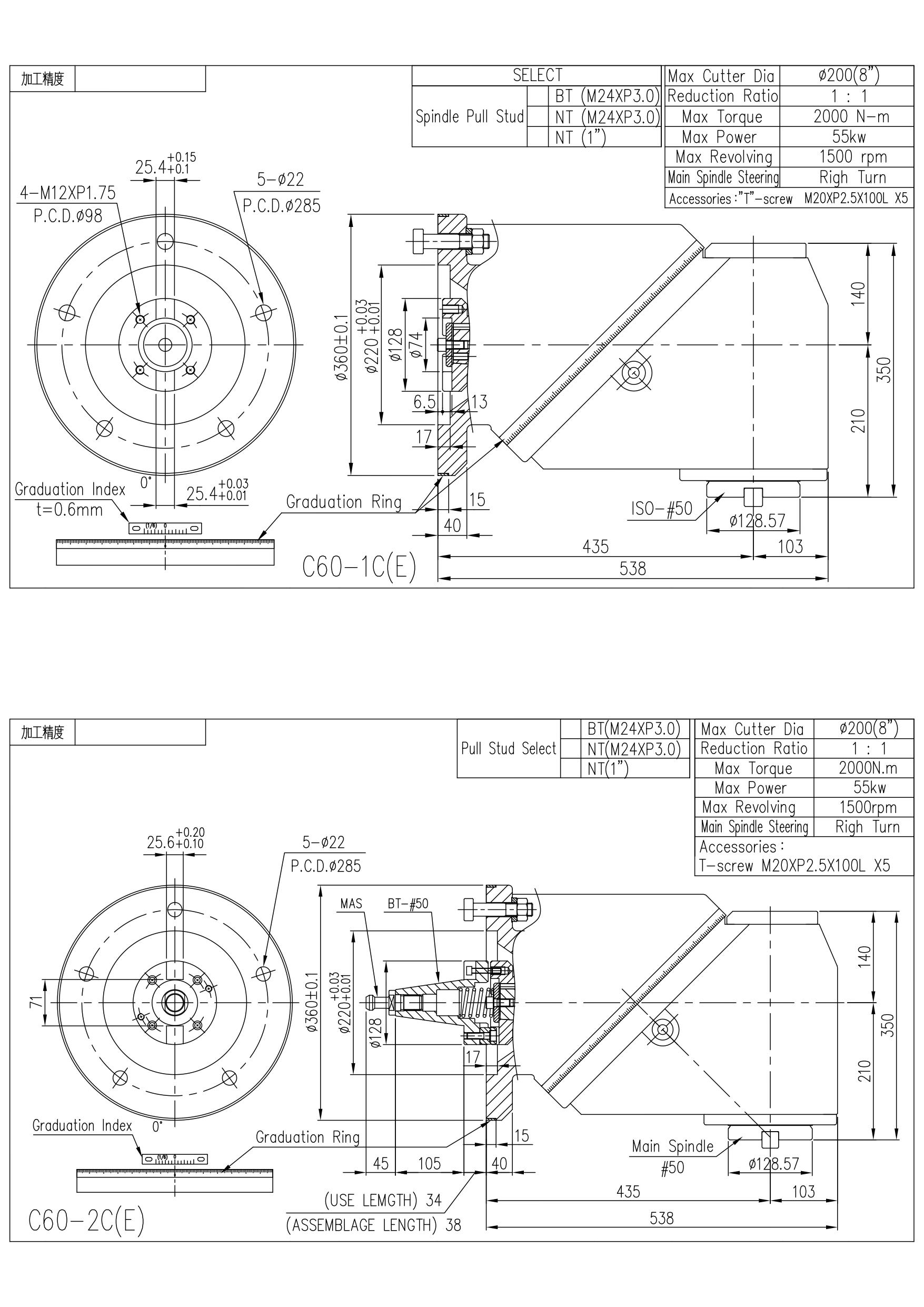
C60 Multi-angular (Universal) Milling Head — for double-column milling machines, vertical lathes, and universal mills — supports vertical and cross milling with 360° angle adjustment via T-screw; easy to operate for boring/inside-slot work, top-face cutting, and bevel trimming; gears and spindle are chromium-molybdenum alloy steel, quenched and precision-ground for durability.
Features
Characteristics:1. Could change machine to make vertical milling and cross milling and any angle.
2. Volume is small, convenient operation, suitable to make complex of machine tools.
3. Loosen “T” screw to make 360° adjusting and choice the direction of milling tool. Reference the “List of angle confront” Please.
4. Suitable to planer for boring, cutting top face and bevel face trim.
5. Gear and spindle are made of chromium molybdic acid alloy steel, through quenching and precise grinding.
Specifications
| Type | Max Tool Dia. | Reduction Ratio | Max Torque | Max Horsepower | Max Use Speed | Spindle Steering | Accessory |
|---|---|---|---|---|---|---|---|
| C60 | ψ200 | 1:1 | 55KW | 2000N.m | 1500rpm | #50/Forward | M20×P2.5×100L-5Pieces |
Application

More specifications (PDF) 





















