 
					
				C55 Linear-swing Universal Milling Head, Multi-angular Milling Head | Vertical Lathe Application
Hot- Model:
- C55
- Country of Origin:
- Taiwan
- Color:
- Blue
Detail Specifications / Descriptions
					
						
						Patented C55 linear-swing universal (multi-angular) milling head with ±90° left/right swing for vertical and cross milling; compact, easy to operate, ideal for inside-slot/boring, end-face repair and bevel trimming.
Features
.Could change machine to make vertical milling and only rotate to left/right each 90∘when install the milling cutter on the head. Graduated and cross milling and any angle..Volume is small, convenient operation, suitable to make complex of machine tools.
.The processing suitable to inner boring and milling of slots, end face repair, and beveled chamfering, etc.
.Gear and spindle are made of chromium molybdenum alloy steel, through quenching and precise grinding.
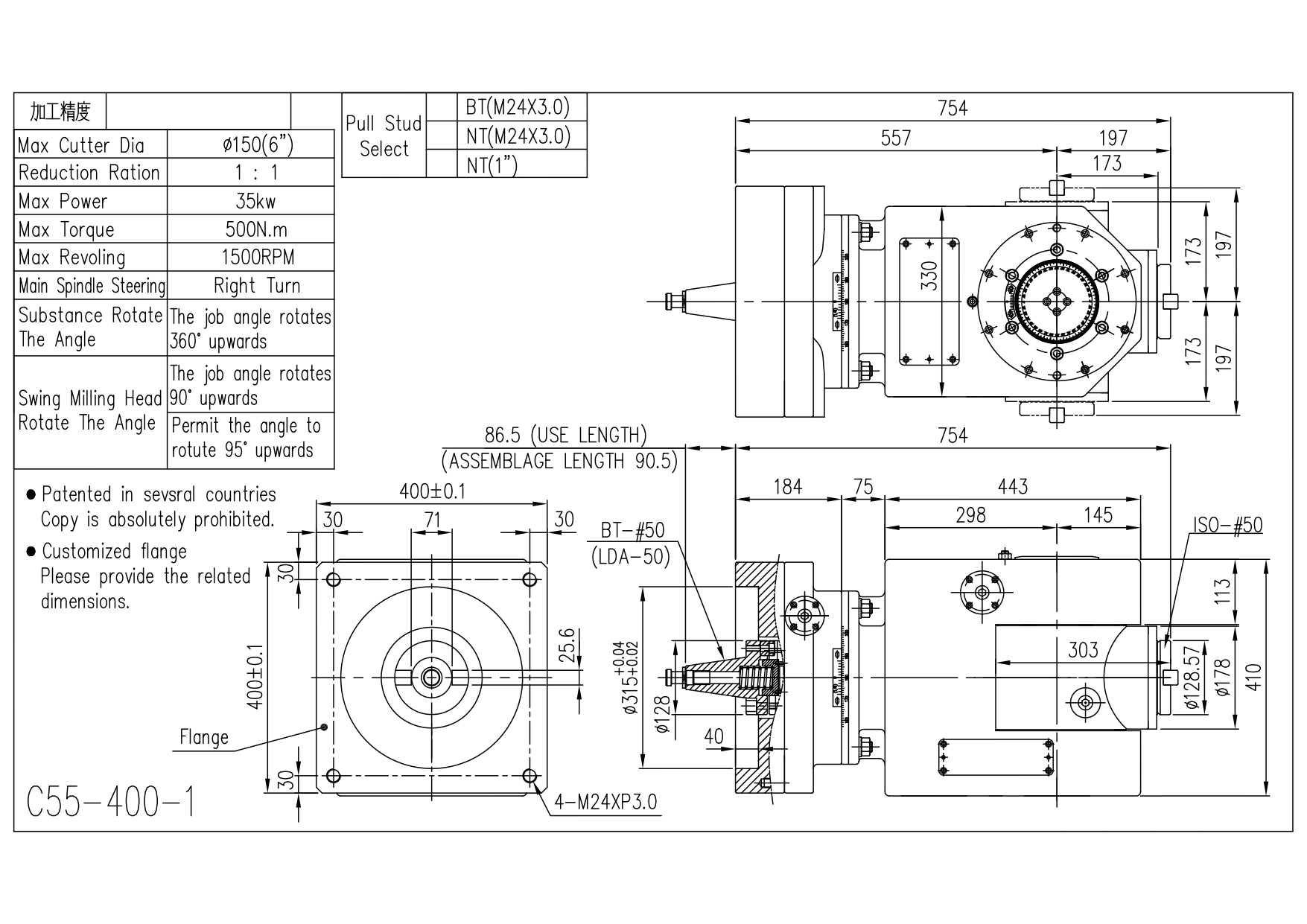
Specifications
| Type | Max Tool Dia. | Reduction Ratio | Max Torque | Max Horsepower | Max Use Speed | Spindle Steering | Accessory | 
|---|---|---|---|---|---|---|---|
| C55 | ψ150 | 1:1 | 35KW | 500N.m | 1500rpm | #50/Forward | 
Application

More specifications (PDF) 
			
			
			
		


 
								 
								 
								

 
								 
								 
								














