CN74, CN75 Angular Head | For Special Purpose Machine Application
- Model:
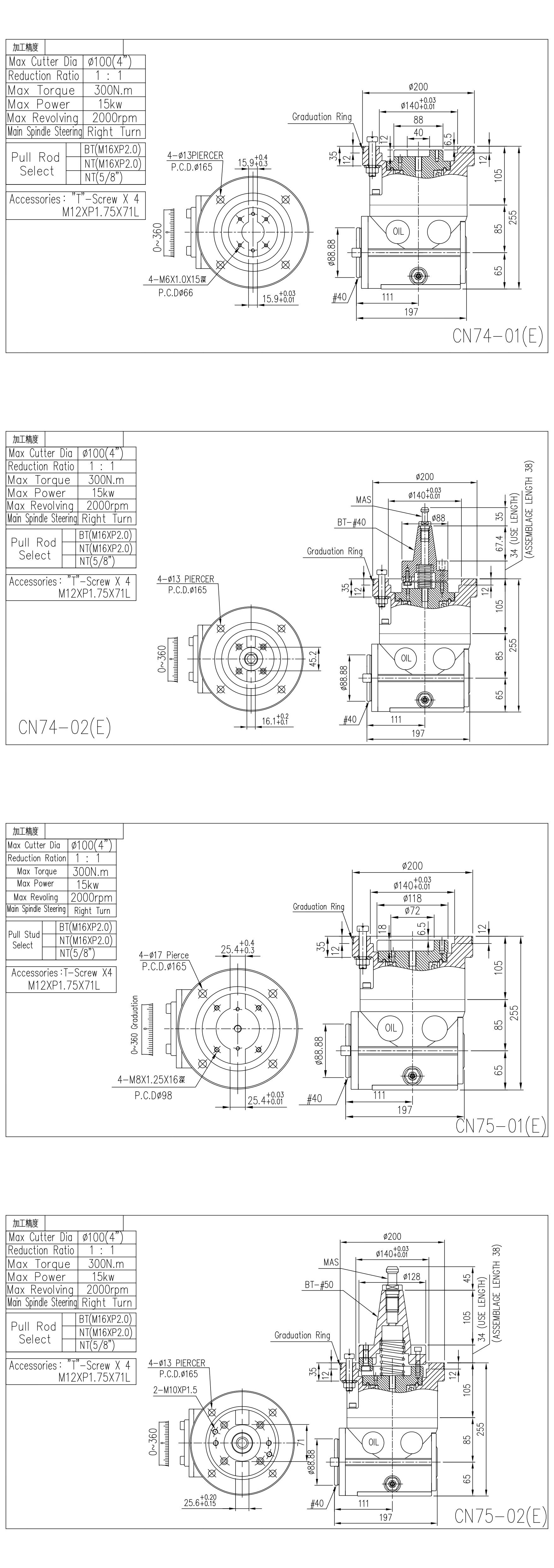
- CN74, CN75
- Country of Origin:
- Taiwan
Detail Specifications / Descriptions
GONG YANG CN74, CN75 deep boring right angle milling head is small, so it fits a spiral bevel gear then makes the machine more precise and wear resistant. Gong Yang manufactures multiple right angle heads for CNC mill. Click the items to get more information.
Features
1. Could change machine to make vertical milling.2. Volume is small, convenient operation, suitable to make complex of machine tools.
3. To install a Graduated Ring which can be regulated 360° to choose the direction of the milling cutter.
4. The processing suitable to inner boring and milling of slots, end face repair, and beveled chamfering, etc.
5. Gear and spindle are made of chromium molybdenum alloy steel, through quenching and precise grinding.
6. Bearing are use ball bearing, suitable for high-speed and light cutting.
7. The milling head can only tapping and screw socket process while reversing, can't cutting and drilling or other process, make machinery damaged.
8. Two type of cutter locked for customer demand. The suitable cutter locked can be ordered and delivered together with the product when purchase.
(A) Hydraulic tool release for BT type.
(B) Screw tool release for NT or BT type. (Pull studs must remove for BT type)
Specifications
| TYPE | Max Tool Dia. | Reduction Ratio | Max Torque | Max Horsepower | Max Use Speed | Spindle Steering | Accessory |
|---|---|---|---|---|---|---|---|
| B75 | ψ150 | 1:1 | 38KW | 1000N.m | 2000rpm | #50/Forward | M18×P2.5×87L-6Pieces |
Specifications
| TYPE | Max Tool Dia. | Reduction Ratio | Max Torque | Max Horsepower | Max Use Speed | Spindle Steering | Accessory |
|---|---|---|---|---|---|---|---|
| CN74 | ψ100 | 1:1 | 15KW | 300N.m | 2000rpm | #40/Forward | M12×P1.75×71L-4Pieces |
| CN75 | ψ100 | 1:1 | 15KW | 300N.m | 2000rpm | #40/Forward | M12×P1.75×71L-4Pieces |
Application
Video

More specifications (PDF) 



















