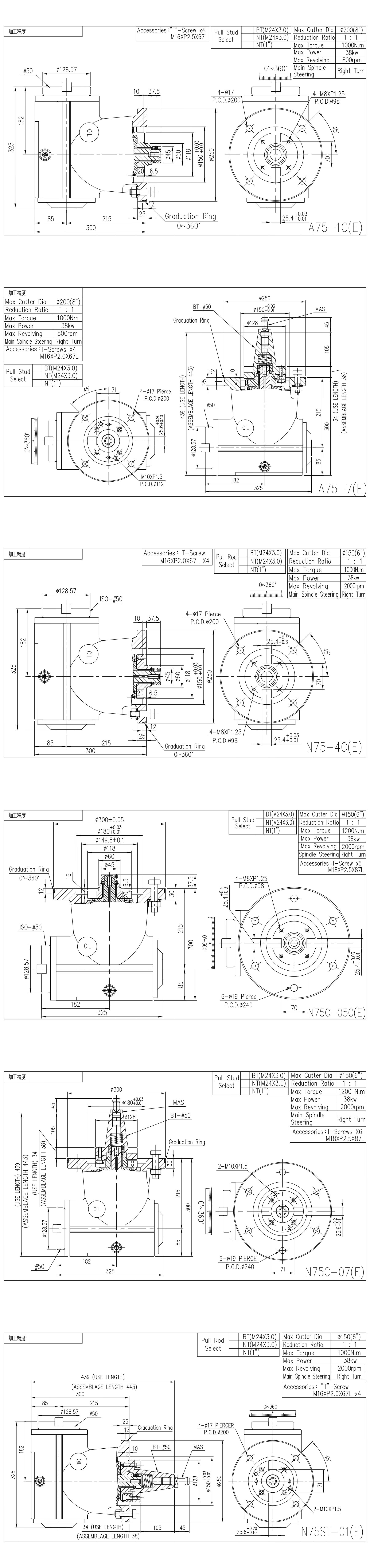
A75/N75/N75C Angular Head (Self-retrieving 90° Milling Head) | Double Column Milling Machine
Hot- Model:
- A75/N75/N75C
- Country of Origin:
- Taiwan
- Color:
- Blue
Detail Specifications / Descriptions
Gong Yang manufactures and provides high quality angular heads which is also known as 90 degree milling head. Click the items to get detailed product information.
Features
Angular Head /90° milling head Characteristics:1. Could change machine to make vertical milling.
2. Volume is small, convenient operation, suitable to make complex of machine tools.
3. To install a Graduated Ring which can be regulated 360° to choose the direction of the milling cutter.
4. The processing suitable to inner boring and milling of slots, end face repair, and beveled chamfering, etc.
5. Gear and spindle are made of chromium molybdenum alloy steel, through quenching and precise grinding.
6. Bearing are use ball bearing, suitable for high-speed and light cutting.
7. The milling head can only tapping and screw socket process while reversing, can't cutting and drilling or other process, make machinery damaged.
Application
Video

More specifications (PDF) 




















