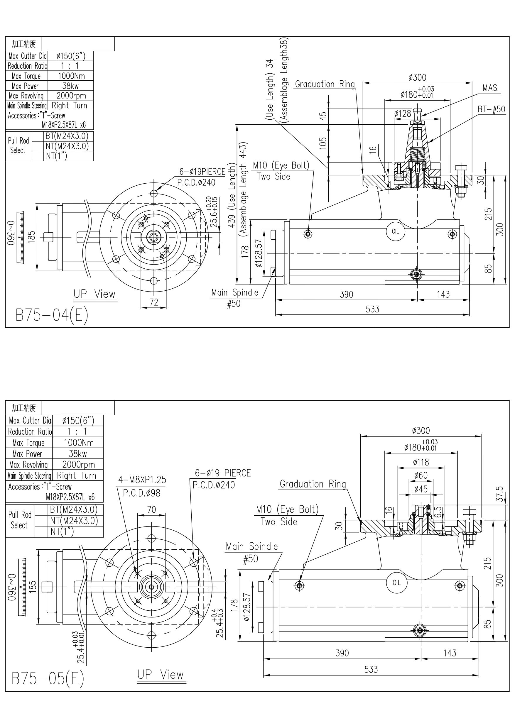
B75 Long-spindle 90° Milling Head / Milling Head | For Double Column Milling Machine Application
Hot- Model:
- B75
- Color:
- Blue
Detail Specifications / Descriptions
For double column milling machine use, the B75 Long-spindle 90° Milling Head provides precise boring, chamfering, and multi-purpose cutting performance.
Features
Characteristics:1. Could change machine to make vertical milling.
2. Volume is convenient operation, suitable to make complex of machine tools.
3. To install a Graduated Ring which can be regulated 360° to choose the direction of the milling cutter.
4. The processing suitable to inner boring and milling of slots, end face repair, and beveled chamfering, etc.
5. Gear and spindle are made of chromium molybdenum alloy steel, through quenching and precise grinding.
6. Bearing are use ball bearing, suitable for high-speed and light cutting.
7. The milling head can only tapping and screw socket process while reversing, can't cutting and drilling or other process, make machinery damaged.
Specifications
| TYPE | Max Tool Dia. | Reduction Ratio | Max Torque | Max Horsepower | Max Use Speed | Spindle Steering | Accessory |
|---|---|---|---|---|---|---|---|
| B75 | ψ150 | 1:1 | 38KW | 1000N.m | 2000rpm | #50/Forward | M18×P2.5×87L-6Pieces |
Application

More specifications (PDF) 



















